產品名稱
PT4674 PT4675 PT4676高溫熔體壓力變送器(high temperature melt pressure transducer)
特征與應用
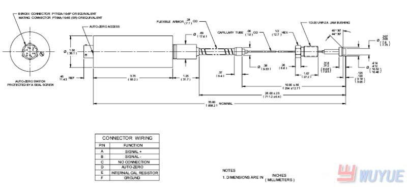
描述: PT4674型、PT4675型和PT4676型熔壓傳感器具有露出直徑為0.06"的毛細管,能以1/16"的半徑彎曲,可安裝在狹小的空間內。每種型號的產品均有內置放大器,為DCS或計算機提供4-20mA(PT4674型)、0-5Vdc(PT4675型)、1-6Vdc(PT4675B型)、0-10Vdc(PT4676型),或1-11Vdc(PT4676B型)的輸出。 特性: ★ 精度優于±0.5% ★ 便于安裝在有限的空間內 ★ 可提供4-20mA、0-5Vdc、1-6Vdc、0-10Vdc或1-11Vdc的輸出 ★ 內部80%切換校驗 ★ 量程范圍從0-500到0-30,000psi ★ 物美價廉 ★ 通過CE認證 ★ 零點和量程范圍可調 PT4674 PT4675 PT4676高溫熔體壓力變送器(high temperature melt pressure transducer)
技術參數
